手机:15662684009
电话:15662684009
邮箱:didihay@qq.com
地址:山东省济南市济阳县
发布时间:2025-12-07 点此:30次
弘锋机械 15840485257 专业生产定制升降机 升降货梯 升降平台 家用别墅电梯 传菜机 登车桥等升降设备,全国200+城市设有经销商,可免费上门量尺安装!
你有没有因为设备导轨频繁地出现磨损,精度不断下降,维修成本特别高昂而感到烦恼呢?关键常常在于最开始的结构设计是不是合理。一个出色的导轨设计,直接决定着设备的稳定性,设备的寿命以及生产效率,而错误的选择会使你的投资持续地流失。
整体式导轨的截面选择
许多设备的基础是整体式滑动导轨,其核心在于截面形状的设计,这与承载能力、导向精度以及制造难度直接相关,常见的平面、V形和燕尾形各有明确适用场景,像 V 形导轨导向精度高,不过制造相对复杂。

在所进行选择之际,你务必得最先思考外力的方向以及运动构件的尺寸情况。当构件此时尺寸呈现为较小时,能够采用由单条导轨所组建而成的封闭结构,采用这种结构能够切实有效地简化装配流程。对于那些尺寸较大或者受力状况呈现为复杂这种情形的部件而言,那就必定得采用组合导轨以此来保障稳定性目的的达成,防止因为受力不均衡从而带去早期失效这种不良结果 。

导轨关键尺寸的确定


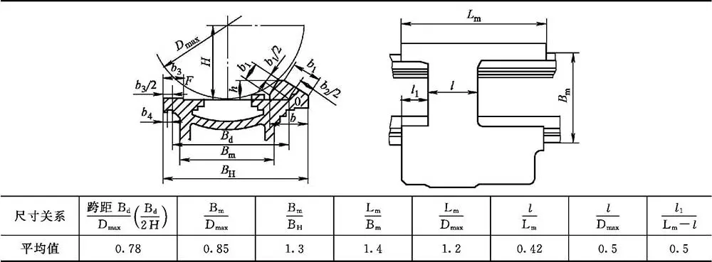
导轨尺寸可不是随便确定的,它要靠着精确计算才能够契合刚度还有强度方面的要求。比如说,V形导轨拥有其特定角度,燕尾形导轨存在相应尺寸,在国家标准之内它们都有着详尽规定,这些数据属于经验证的可靠依据 。
卧式车床导轨为例展常见,其尺寸关系是长期成果经实践总结。盲用不匹配尺寸致接触应力集中,会加速磨损。你要依据设备有载荷、行程及精度要求,参照权威数据表严谨选型,这是保障设备长久稳定运行的前提。

导轨间隙的精密调整

导轨配合间隙对运动平稳性以及精度有着直接影响,间隙过于大会致使出现晃动现象,间隙过小容易引发卡滞情况,调整装置主要靠镶条与压板维系,镶条一般布置在受力较小的那一侧,对于长导轨而言,采用两端调节的方式更能够确保全长范围的接触均匀。

压板进行设计的时候,是需要去考虑实际受力情形的,在受力比较大或者导轨短的时候,压板应当覆盖全长,在受力小或者导轨很长的时候,采用分段式压板是更具经济高效性的选择,正确的调整技术可恢复导轨原始精度,极大延长其使用寿命。

有效卸荷提升承载与寿命
对于重型设备而言,导轨所承受的载荷极为巨大,这直接对其寿命以及精度产生了影响。卸荷装置借助外部机构来承担部分载荷,如此便能大幅度降低导轨面的实际压强。机械式卸荷或者液压机械式卸荷属于常见的方案,其选择是由设备的规模以及精度要求所决定的。
例子是,于大型龙门机床里,运用液压卸荷装置能够把导轨载荷减轻大概70%,这不但减少了磨损,还降低了驱动功率请求,你要依照设备的总重、工作循环以及精度指标,科学地去计算卸荷系数,进而挑选适宜的卸荷方案。
导轨压强的核算与验证
在后阶段的设计之中,去核算导轨面的平均压强以及最大压强,是绝对不能缺少的步骤,压强一旦超过材料所允许的值,就将会引发较为快速的磨损以及塑性变形,而计算的时候,需要结合最大载荷、导轨的有效接触面积以及载荷分布的不均匀系数 。
你不可以仅仅凭借经验去进行估算,一定要运用规范的力学模型来展开核算,以此确保压强处于安全范围之内,举例来说,某一型号的龙门铣在经过核算以后,借助增加导轨宽度的方式把压强降低了百分之二十五,进而让其寿命提高了三倍有余,这一步骤乃是设计从图纸迈向可靠产品的关键检验 。

从设计到维护的全周期考量

出色的导轨设计属于一项系统工程,它在设备的整个生命周期里贯穿。从最开始的截面形状识别、尺寸判定,进入间隙调整装置的配备环节,接着到是否需要卸荷的考量,每一个步骤都得依据数据以及实际工况来做出决策。
若是忽视了其中任何一环,那么在未来就极有可能带来高昂的维修代价。你务必要构建起涵盖从设计选型、安装调试一直到定期维护的完整知识体系。唯有把导轨当作一个核心功能部件来实施系统管理,才能够保证你的设备长久维持高精度以及高产出。

当你处于为设备进行选型或者改造的阶段之时,你是会更加侧重于关注初次采购所涉及的成本呢,还是会更加着重于看重涵盖导轨寿命等在内的长期综合使用成本呢?倘若你愿意,欢迎在评论区域分享你个人的观点以及经验,要是这篇文章对你产生了帮助作用,请你点赞并且分享给更多有此需求的人。

辽ICP备2023004615号